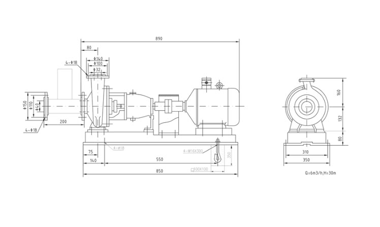
TZFB-III-50-32 TZFB代表强自吸 III代表金属轴向进口化工泵 50代表进口直径(mm) 32代表扬程(m) ;


订货须知:
注意事项:1
应往轴承箱内加注润滑油,油量应控制于油窗中间水平面。
注意事项:2
开车前用手盘动联轴器,有无在安装过程中产生卡死现象如有碰擦异常应予消除。
注意事项:3
起动前先接通冷却冲洗液,停车时应先停车再关闭冷却冲洗液。
注意事项:4
冷却冲洗液必须是干净的不结垢的软水,因此对新安装的管路和储蓄罐应冲洗干净。防止有固体物质进入机械密封影响密封效果和寿命。易结垢的水质会堵塞冷却冲洗液通路。同样会影响密封的使用效果和寿命。
注意事项:5
用 冷凝水作密封冲洗液效果是理想的,温度<85℃。
注意事项:6
冷却冲洗液的压力为0.1~0.3MPa,流量为0.63m3/h,流量过小会影响密封的使用寿命。
Copyright © 2021-2021 江苏国产麻豆精品在线免费泵业制造有限公司 版权所有 备案号:苏ICP备90068085号